“金海翔”的悲剧还未淡去,“双信轮”再传厄讯,有感于船舶二氧化碳灭火系统事故频发,作为一线海员,笔者结合“M轮”该系统实际配置,对其认知、使用及重点提示和事故预防在实务方面略作总结,希望能为预防类似事故的再次发生贡献些许心力!
1灭火机理
操作者在消防控制站或CO2储存间进行操作,通过短时间内释放足量CO2气体,利用其窒息、冷却的特性对保护区域进行灭火。
需要强调的是,一定要足量且快速!
▶关于足量
按照1kg液态CO2可形成0.56m³气体的消防设定值,CO2的浓度在达到30%及以上后具有良好灭火效果。对此,《国际消防安全系统规则》(后文简称FSS)针对船上不同的保护区域做出了不同的混合比例(浓度)规定——
A.机舱(不包含机舱棚):40%;
B.机舱(包含机舱棚):35%;
C.货舱:30%。
有关机舱棚,可大致理解为机舱于主甲板以上的围蔽区域,如锅炉层,烟囱顶等。
保护区域的CO2配置量M(kg)=体积V×密度ρ=保护区域总容积(m³)×规定浓度(%)÷0.56(m³/kg)。
须注意,在计算机舱CO2配置量时:
1. A、B两种计算方式的结果取其较大者;
2. 机舱内会存放大量压缩空气,应将压缩空气的气体存量考虑在内。

上图为“M轮”部分保护区域的CO2配置量,以项目1为例:(4886.62+184)×0.35÷0.56=3169.1kg,每个钢瓶内存二氧化碳45kg,3169.1÷45=70.4,向上取整为71瓶。
▶关于快速
灭火讲究的是一鼓作气而非水滴石穿——同样是一盆水的使用量,一滴滴浇下去和倾盆而下,两者效果显然是天差地远!同样是灭火媒介,消防水如此,二氧化碳同样如此。
FSS规定,机器处所的固定管系,应能使85%的气体在2分钟内注入该处所。
同绝大多数船舶配置的大型CO2灭火系统一样,“M轮”该系统既有自动释放(远端操作/遥控释放)模式,也有手动释放(本地操作/应急释放)模式。
自动释放是以驱动气体为动力来开启相关气动阀(Pressure Operated Valve),能在短时间内开启为机舱配置的全部CO2钢瓶瓶头阀以及机舱主阀,释放过程非常迅速。但手动释放则牵涉到一个问题——如此多的CO2钢瓶,需要逐瓶释放吗?
这个问题非常关键,但遗憾的是,不仅有许多船员对此不明不白,就连一些厂家都是含糊其词,请看下图——

▲“M轮”CO2系统厂家提供的说明书明示:手动释放时需逐个打开(one by one)瓶头阀。

▲“M轮”CO2系统厂家提供的现场操作牌却标明:手动释放时打开一个(open one)瓶头阀。
“M轮”为机舱配备的CO2量是71瓶,“开1瓶就行”和“需要逐个开启”两者操作所需时间差距巨大——跑步、攀扶、插杆、拉动一整套动作下来,按平均每次需要2秒来计算,开一瓶仅需2秒,但开71瓶则需要142秒,两者相差2分多钟。
时间就是金钱,时间更是生命,在灭火关键时刻,2分多钟意味着什么?
在如此关键的问题上含糊不清,这是谁的责任不得而知,但有一点可以明确——这个锅不管怎么甩,至少甩不到船员头上!
希望相关厂商、机构在对待类似关键问题上可以更审慎些,因为人命关天!
言归正传,到底是一瓶瓶释放还是只需释放一瓶呢?作为现场操作者的海员有没有办法搞明白?
有关这点,笔者将在后文揭示——并非为了卖关子,而是读者只有在了解“M轮”CO2灭火系统相关构成后才能知其就里,也才能举一反三将此思维灵活运用到其他船舶,毕竟授人以鱼,不如授人以渔。
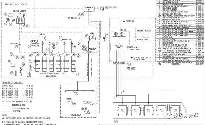
2 系统简介

▲“M轮”大型CO2灭火系统结构图
系统主要构成有:远端控制箱、联动报警装置、通风油路切断装置、驱动气体管路、延时机构、释放管路、钢瓶组、泄放管路、相关阀件。

“M轮”配置的CO2钢瓶每瓶容积68L,CO2充装率(Filling Ratio)为0.67Kg/L,每瓶内存CO2质量68×0.67=45.5Kg,瓶内设有虹吸管与瓶头阀相连。

由上图可知,同一充装率下,瓶内压力随温度升高而升高——充装率越高,压力上升越快。当瓶内压力过高而得不到泄放时,钢瓶就有爆裂危险,这可能会造成严重事故!
因此,钢瓶瓶头阀在泄压管接口处设有安全膜片(Rupture Disc)——一旦瓶内压力超过爆破压力(Bursting Pressure)〔“M轮”钢瓶此数值为18.6±1 Mpa〕,膜片爆破,钢瓶泄压,瓶内气体将通过泄压管排放到外界大气。


就“M轮”CO2钢瓶而言,当温度达到60℃时,其内压约为175Bar,即17.5Mpa,该数值逼近安全膜片爆破压力。所以,CO2储存间应配置温度计,以保持对室内温度的实时监测。
关于CO2钢瓶瓶头阀(Bottle Head Valve)——该阀其实不只用于CO2钢瓶,还用在了其它位置,并且非常重要,后文将在相关处予以详细介绍。

▲瓶头阀结构图(关闭状态下)

▲“M轮”瓶头阀接管实图

▲开启状态下的瓶头阀
该阀为气动/手动两用式,既可利用驱动气体来顶开气动阀阀芯,进而解除瓶头阀阀芯压紧状态后释放CO2,也能使用插销插入卡槽后直接手动拉开。
有了以上认知基础,接下来正式对“M轮”CO2系统的释放操作进行介绍。
▶远端操作(遥控、自动)
打开“M轮”释放控制箱的同时,限位开关动作,进而触发预释放报警并切断通风和燃油供应。按顺序打开箱内启动瓶(Pilot Cylinder)瓶头阀、驱动气体释放阀。驱动气体随后将分为两路:
一路(B路)将会把主管上连通机舱的主阀(Distribution Valve)顶开,主阀动作的同时,将触发新一轮声光报警;
另一路(A路)将会经过延时机构,在30~40秒的延时后把各个CO2钢瓶的瓶头阀顶开进而释放CO2。

▲“M轮”释放箱简图

▲气路走向图
图中有4条气路,分别以黄色、红色、黑色、紫色来表示——
黄色是A路,为驱动气体管路,从引导瓶出发,经延时处理后通往各CO2钢瓶瓶头阀气动机构。
红色是B路,为驱动气体管路,从引导瓶出发,不经过延时机构,直接通往机舱主阀气动机构。
黑色是C路,为CO2钢瓶泄压管路,从钢瓶泄压口出发,末端连通室外大气。
紫色是D路,为免冗杂,将在后文相关部分进行介绍,在此略过。
CO2气体汇入主管后,设置在主管的压力开关将会受压动作,进而触发正式释放报警。

▲“M轮”主管上的压力开关及联动装置
该压力联动装置在平时可视为CO2泄漏报警单元——若存在泄漏,当积聚在主管的CO2达到到设定压力后会引发压力开关(Pressure Switch)动作而报警。
由上可知,“M轮”大型二氧化碳系统在远端释放操作过程中,会触发三种报警:
1. 开启释放箱——预报警!
2. 开启主阀——开阀报警!
3. 释放CO2——释放报警!

▲“M轮”机舱CO2报警器
▶本地操作(手动、应急)
本地操作的第一步是开启通向机舱的主阀,第二步也是关键一步,即开启CO2钢瓶瓶头阀。
回到前文谈及的问题——手动释放时,到底是一瓶一瓶开,还是只需开启一瓶就行?
先给出结论,对“M轮”而言,只需开启一瓶!
原因很简单——“M轮”该系统在设计上能够让任何一瓶CO2钢瓶内的高压CO2进入驱动管路(A路),进而释放为机舱配置的全部CO2。
“M轮”CO2释放主管上设置有一个和CO2钢瓶瓶头阀型式一致的阀门——

通过前文对该阀的介绍可知:此阀若被打开,CO2气体的流动方向将如图(一)、图(二)紫色线路所示——


▲气路图
高压CO2会顺着紫色气路(D路)来到延时装置,随后,其流动方向与A气路一致——通往各钢瓶瓶头阀,进而顶开瓶头阀气动阀芯,引发CO2释放。

A路与D路的交叉口设有3个单向阀,防止气体反向流动。
再次总结“气路图”四组气路——
黄色是A路,为驱动气体管路,从引导瓶出发,经延时处理后通往各CO2钢瓶瓶头阀气动机构,在顶开瓶头阀后引发CO2释放。
红色是B路,为驱动气体管路,从引导瓶出发,不经延时处理,直接通往机舱主阀气动机构,用于远端开启机舱主阀。
黑色是C路,为CO2钢瓶泄压管路,从钢瓶泄压口出发,末端连通室外大气,钢瓶超压后,瓶内CO2自动泄放。
紫色是D路,手动释放CO2时,当打开设置于主管的“瓶头阀”,流动于总管的高压CO2会有部分进入驱动管路,这些CO2将以驱动气体的形式顶开各CO2瓶头阀气动阀芯,进而释放各钢瓶CO2〔D路只与A路连接,不连接B路,不会导致机舱主阀的开启〕。
所以,设置在主管上的“瓶头阀”,应称之为“应急释放阀(Emergency Release Valve)”或“增压阀(Booster Valve)”。
称其为“应急释放阀”,是因为远端操作时并不需要开启该阀(正常情况下);当远端操作失效后,在手动释放模式下才需要开启该阀,这属于应急操作。
称其为“增压阀”,是因为当启动瓶气压不足以开启全部CO2钢瓶瓶头阀时,可以手动开启该阀(该阀只能手动开启,不能气动开启),使主管内的高压CO2流入驱动管路,能起到增压的作用。
3 重点提示
▶无论是远端操作还是本地操作,开阀顺序绝不能搞错——必须先开启机舱主阀,然后再开启CO2钢瓶瓶头阀。
对此,FSS内规定:应设置两套独立的控制装置,以将二氧化碳释放至被保护处所,并确保报警装置的启动。一套控制装置用于开启将气体输送至被保护处所的管路的阀门,另一套控制装置应用于将气体从贮存容器中排出。应采取积极的措施以确保其可按照此顺序操作。
规则虽未对此注明原因,但思考之下并不难理解:
1. 通往瓶头阀的气路(A路)会经过延时机构(“M轮”延时30s~40s),而通往机舱主阀的驱动气路(B路)却不经过延时机构。
当打开B路气阀,机舱主阀开启的同时会触发报警,可警示此刻仍在机舱的人员赶紧撤离——距离CO2的释放,还剩35s左右!
若先打开的是A路气阀,即机舱主阀开启在后,那当机舱响起主阀开启的报警后,距离CO2释放的时间将会少于预定延时,这有违延时机构的设计初衷,并且不利于人员安全撤离!
2. 为了避免误操作或钢瓶泄露导致主管内聚集的高压CO2冲开机舱主阀,主阀的阀芯开启动作方向会设计成与主管内气流方向相反的型式——

▲此图并不代表主阀实际结构,仅为方便读者理解而作简图
如果先打开的是A路气阀,将可能造成主管内CO2聚集,进而使主阀阀芯承受巨大压力而难以开启,导致无法及时释放CO2灭火!
所以,为避免慌乱之中导致释放顺序出错,远端释放箱内A、B两路气阀应设置硬件联锁——确保只能在开启B路气阀之后才能开启A路气阀。

上图为典型联锁方式——只有先将横杆(B路)气阀打开,然后才能打开竖杆(A路)气阀。
下图则是典型错误实图——无联锁机构。

▲无联锁机构
▶关于Slow Leak Valve/Low Relief Valve
专门提及该阀是因为不少海员对此阀存在认知错误,从许多人对该阀的错误中文称呼便可见一斑。
Slow Leak Valve/Low Relief Valve的真正学名并非中文直译“慢泄阀”,而是“低泄高封阀”。

低泄高封阀是大型CO2灭火系统的重要组件,安装于系统驱动管路,其作用是为了防止因驱动气体的泄漏累积而引发系统误释放。
所谓“低泄”,是指该阀在正常情况下处于开启状态,当启动瓶存在泄漏时可以排除泄漏气体(低压),防止积聚——低压下泄气。
所谓“高封”,是指该阀在启动瓶释放(管内高压)状态下将自动关闭(达到设定压力后),可防止驱动气体的外流损耗——高压下封闭。
有些船舶安装的低泄高封阀如上图所示,无手动控制机构,“M轮”同样如此;有些船舶则加装了手动控制机构,可以在误操作导致启动瓶释放情况下强行开启该阀放气泄压,进而避免高压驱动气体引发CO2释放——这样的设计更为科学和安全。
▶关于插销
大型CO2系统中,有些插销在常规状态下不许插上,因为要保证随时可用;有些插销则必须插上,因为要防止误操作。
就“M轮”而言,为确保远端操作随时可用,其瓶头阀的插销不能插上——插上后会导致气动阀芯无法动作,进而无法释放CO2。

但有些船CO2钢瓶瓶头阀的气动开启方式与手动开启方式分属两组活动机构,互不影响,其手动释放杆的安全插销则必须插上,防止误操作。

上图所示瓶头阀其安全插销是为了防止手柄误操作顶开释放机构而设计,不影响远端操作(气动释放),若拔除插销反而会增加误操作的风险,故不能拔除!
另外,即便同类型阀件,在此问题上也不能一概而论——
“M轮”CO2钢瓶瓶头阀和设置于主管的应急释放阀在型式上虽完全一致,但钢瓶上的就不该插上插销,而主管上的则必须插上插销——
主管上的应急释放阀只有在手动模式或者需要为驱动气管增压的情况下才会使用,仅需在应急操作/增压操作时手动打开即可。当拔除应急释放阀的插销,在钢瓶存在漏气的情况下,若误操作导致该阀开启会使得管内高压CO2瞬间直入驱动管路(A路),进而引发与驱动管路相连的CO2钢瓶全部释放!

4 事故预防和紧急处置
▶了解CO2的危害极其致死机理:CO2对人体的最主要危害在于会刺激人类神经中枢,这将导致呼吸急促并进一步加大人体对CO2的吸入量,进而引发头痛、神志不清等症状,甚至在短时间内让人昏迷、窒息。
所以,任何时候,在CO2弥漫环境中一定要屏住呼吸,也许,这几十秒的屏息就可以换来生机!
▶为降低误操作的可能性,远端释放箱上最好贴上加盖船章的纸质封条——既不影响关键时刻的操作,又能起到很好的警醒作用,防止有人因好奇或误动作开启此箱引发风油切断甚至CO2的释放。
▶若确实需要向机舱释放CO2进行灭火,必须确认所有人员均已撤离机舱,然后才能关闭相应开口进行CO2的释放。
▶强化培训,固化思维——只要听到CO2报警,轮机部船员必须毫不犹豫立即冲向本层应急逃生通道,然后迅速离开机舱。
毫不犹豫是因为时间上不允许多做思考和确认,如果是有人误操作导致启动瓶释放,那逃生时间很可能只剩不足30s!
走应急逃生通道是因为这样更快、更安全——
1. 机舱每层都设有应急逃生通道的入口,且入口自闭门的开启方向为由内向外,外部气压越大,门会闭合越紧,CO2难以从外部侵入应急逃生通道。只要进入应急逃生通道,基本就安全了。
2. 应急逃生通道直上直下,是离开机舱的最短路线。
3. 释放CO2后,机舱内会因冷热对流导致雾气弥漫,在此环境中,走别的路线可能会因分不清方向而错过自救机会。
4. EEBD虽然是逃离火场的有利工具,但在逃离CO2误释放环境中却不应为了拿取EEBD而浪费宝贵时间(不应走折返路线、跨层路线),因为CO2不仅有窒息作用,还有强烈的低温伤害,穿戴EEBD对此于事无补!在CO2误释放环境中,屏住呼吸,迅速跑进应急逃生通道才是上上之策!

▲“M轮”机舱应急逃生通道
▶若因误操作导致启动瓶释放,怎么办?
首先,不要慌乱!
只打开启动瓶的瓶头阀并不会导致A、B两组气路充压——还需打开A、B两路的气阀才行。
即便再次误操作致使A、B两组气路充压,也并非无可挽回——前文已说明,要引发CO2向机舱释放,还必须分别开启通往机舱管路的主阀和CO2钢瓶瓶头阀。
主阀也许会在驱动管路充压时逐渐开启,但钢瓶瓶头阀却不会立即开启,因为该气路有延时机构的存在,且延时时长通常设置为30s~60s之间(最短不少于20s)。
——如果船舶配备有可手动操作的低泄高封阀,可迅速开启该阀为驱动管路放气泄压,启动瓶的气体储量一般不会太大(“M轮”启动瓶有2支,容积均为2.68L,气体重量1.78kg/瓶),放气后,管内压力将迅速降低,进而中断CO2释放。
——如果船舶未配备能手动操作的低泄高封阀,可迅速拧松驱动管路上的接头进行泄压,CO2间内的工具/备件箱内会配备专用扳手。

▶若因误操作导致某瓶或好几瓶CO2钢瓶瓶头阀开启,怎么办?
依然,不要慌乱!
前文已述,即便钢瓶内CO2释放,机舱主阀阀芯只会被越压越紧,而不会被冲开。
不过,可能有人依然很慌:高压气体的聚集会不会导致“爆管”或“破阀”?
当然不会——毕竟这是制造、检验时的最基本考量!
以“M轮”为例,其CO2主管上设有安全阀,开启压力为120bar(12Mpa),即当主管内气体压力超过12Mpa后便会自动开阀泄压。
而“M轮”CO2灭火系统的主管、支管水压测试压力为147bar(14.7Mpa),瓶头阀公称压力同样为14.7Mpa,机舱主阀的测试压力为190bar(19Mpa),连接瓶头阀与CO2释放支管的高压软管的工作压力更是高达225Bar(22.5Mpa),这些数值均超过甚至远远超过安全阀的开启压力12Mpa——所以无需担心爆管或破阀。

▲“M轮”CO2主管上的安全阀
不仅如此,高压软管上还设置有止回阀,可防止主管内气体回灌CO2钢瓶。
所以,若因误操作导致CO2钢瓶瓶头阀开启,只要停止动作,不再触碰任何其它阀门(机舱主阀、应急释放阀),最坏的结果也就是CO2全部释放到外界大气而已——这既不会导致主管、支管、阀件或软管的破裂,更不会冲开主阀引起CO2向机舱释放。
所以,切勿慌乱!
5 全文总结
任何时候请牢记——向机舱释放CO2需要两个以上相互独立的动作才能完成!

如上表所示:远端操作需要4步,本地操作需要3步(本地操作可跳过第二步,但跳过第二步就不会引发全部CO2的释放,误操作所造成的危害也会小很多很多)。
所以,如果仅仅是发生了一步误操作,操作者完全不必因此惊慌失措:
首先应立即通知机舱撤离,随后告知船长,接下来联系技术人员,商定解决方案——只要不再做其它操作就能阻断事故链,从而保证人员安全!
“碳”祸猛于虎,但那些惨痛事故的背后,往往存在多重原因和连续误操作,这既和当事人的认知水平、处置能力有关,也和其心理素质、身处环境有关,不过,因此而将错误完全归咎于船员,这显然有失公允——船厂的消防责任尽到了吗?安全措施够严密吗?生产商的产品说明够完善吗?提供有误操作处置程序吗?检验机构认真把关了吗?
……
但不管怎样,安全高于一切,船员学习、研究、总结船舶大型二氧化碳系统相关知识,这不只是为了做好工作,更是为了安全。
事实上,大型二氧化碳灭火系统是船舶消防能力的重要保障,只要摸清了“碳”虎脉门,完全不必谈“碳”色变!

04-13 来源:信德海事网
04-13 来源:信德海事网
04-13 来源:信德海事网
10-18 来源:饮风荡天涯 陈飞Sailing
11-20 来源:信德海事网
05-04 来源:信德海事网
09-11 来源:饮风荡天涯
09-18 来源:信德海事网
05-29 来源:陈飞
09-12 来源: 陈飞 信德海事